Learn how cathodic protection systems are used to prevent corrosion in pipelines. Explore solutions like sacrificial anodes and impressed current systems for extending the life of underground and subsea pipeline infrastructure.

banner

Pipeline Cathodic

13th Feb, 2025

Application: Water supply pipelines, natural gas pipelines, oil pipelines, urban gas pipelines, and can also be used for the cathodic protection of steel structures in seawater.


In natural environments, soil contains water, oxygen, acid, alkali mineral salts, and microorganisms, which can cause corrosion of metal pipelines. The main function of the pipeline coating is a physical barrier to separate the metal substrate from the external environment and prevent metal from interacting with the surrounding environment. However, there are two reasons that can cause metal corrosion: one is the inherent defects of the coating, such as pinholes; the other is the inevitable damage to the coating during construction and operation, which exposes the metal to a corrosive environment. The presence of these defects leads to the phenomenon of a large cathode and a small anode, which accelerates corrosion at the damaged coating site and causes pipeline corrosion and rupture, leading to safety accidents. Many years of practice at home and abroad have proved that the most effective corrosion control measure is the combination of coating and cathodic protection.


There are two methods of cathodic protection: sacrificial anode cathodic protection and auxiliary current cathodic protection.


Sacrificial Anode Cathodic Protection

Sacrificial Anode Cathodic Protection involves connecting a more negatively charged metal to the protected metal and placing them in the same electrolyte, so that electrons from the metal are transferred to the protected metal, resulting in the entire protected metal being at a more negative and identical potential. This method is simple and easy to implement, does not require an external power source, and generates little corrosion interference. It is widely used to protect small (current is generally less than 1 ampere) or metal structures located in low soil resistivity environments (soil resistivity is less than 100 ohms per meter). For example, urban pipelines, small storage tanks, etc. When designing a sacrificial anode cathodic protection system, in addition to strictly controlling the composition of the anode, it is necessary to choose a location for the anode bed with low soil resistivity.

 

Diagram of Sacrificial Anode Cathodic Protection


Selection of Sacrificial Anode Types:

Soil resistivity

The type of anode should be selected.

<15Ω•m

Zinc Alloy Sacrificial Anode

15~150Ω•m

Magnesium Alloy Sacrificial Anode

Note: 1. When the soil resistivity is greater than 15Ω•m, the effectiveness of zinc alloy sacrificial anode should be confirmed through on-site test.

2. When the soil resistivity is greater than 150Ω•m, the effectiveness of magnesium alloy sacrificial anode should be confirmed through on-site test.

3. For high resistivity soil environments and special purposes, strip sacrificial anodes can be selected.


Advantages of Sacrificial Anode Cathodic Protection Method:

1. No need for external power supply

2. Little corrosion interference to adjacent structures

3. Can be operated and tested without further management after commissioning

4. Economical for smaller projects

5. Protection current distribution is uniform and utilization rate is high.


Disadvantages of Sacrificial Anode Cathodic Protection Method:

1. It is not suitable for high resistivity environments.

2. Protection current is almost unadjustable.

3. The quality of the coating layer must be good.

4. The initial startup and commissioning work is complex.

5. It consumes non-ferrous metals and has a high initial investment cost.


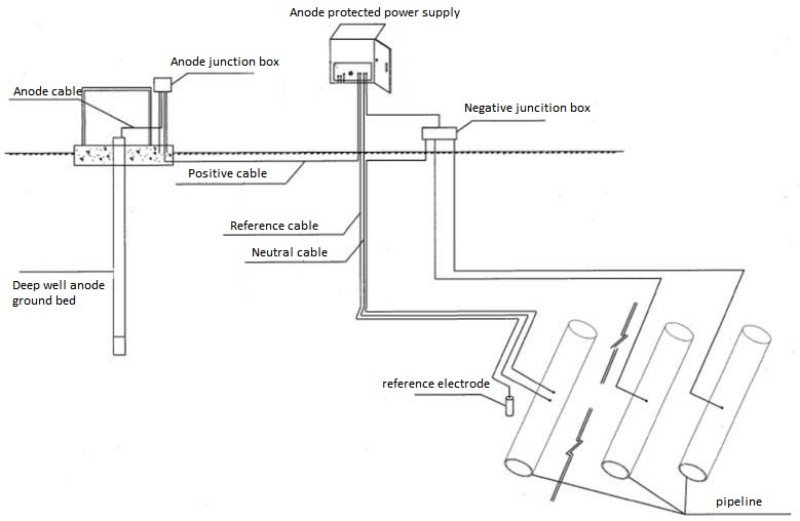
Cathodic Protection by Electrolytic Current

Cathodic protection by external current is a method of protecting metal structures by applying an external direct current power supply and auxiliary anodes. This method involves supplying the metal with a large number of electrons, so that the protected metal is in a state of excess electrons throughout, and the surface points of the metal reach the same negative potential. This method is used to protect large metal structures or those located in high soil resistivity soil, such as long-distance buried pipelines and large tank groups.

Diagram of Cathodic Protection Using an External Current


Advantages of Cathodic Protection by External Current:

1. Continuously adjustable output current

2. Large protection range

3. Unlimited by environmental resistivity

4. More economical for larger projects

5. Long service life for protection devices

6. Lower initial investment cost


The disadvantages of cathodic protection by external current:

1. Requires an external power source

2. Interferes with nearby metal structures

3. Requires a lot of maintenance and management work later on.


Derui Corrosion-Resistant Material Co., Ltd has been engaged in cathodic protection for many years and has undertaken numerous cathodic protection projects both domestically and internationally, including project commissioning. We have the ability to provide technical guidance and cathodic protection project construction worldwide.


Send Message

+86-186 5334 2718